MobilityElectrification
High heat resistance and high insulation thermosetting resin
improves
functionality and reliability of electric power train.
High heat resistance and high insulation thermosetting resin
improves
functionality and reliability of electric power train.

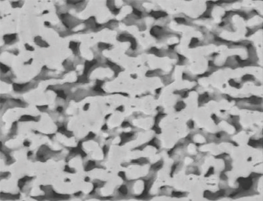
Thermal Conductivity is Enhanced by Sintering Technology.
| Item | Micro Ag | Nano Ag |
|---|---|---|
| Size | 0.5-5μm | 10-100nm |
| Health Impact | Low | High |
| Content of Organic Component | Low | High |
| Agglomeration Risk | Low | High |
| Sintering Effect | Low | High |
Semi Sintering
Full Sintering
Achievement of Ag High Sintering
Discrete, High Power LED, Power IC, Power Module (Si IGBT, SiC, GaN)